Looking for Loewen standard sizes? Our Product Configurator allows you to browse our standard sizes and make configurations.
CAD Drawings
View Resources3D Models
View ResourcesNFRC Ratings
View ResourcesAir, Water, Structural Performance
View Resources












SDL/Grille patterns are dependent on SDL/Grille type. All patterns shown in this catalog are for illustration purposes only – please verify SDL/Grille patterns before confirming your order. Specialty shape units are available in Casement and Picture/Direct Set configurations. Additional sizes beyond those shown here are available. Contact your Authorized Loewen Dealer for assistance.












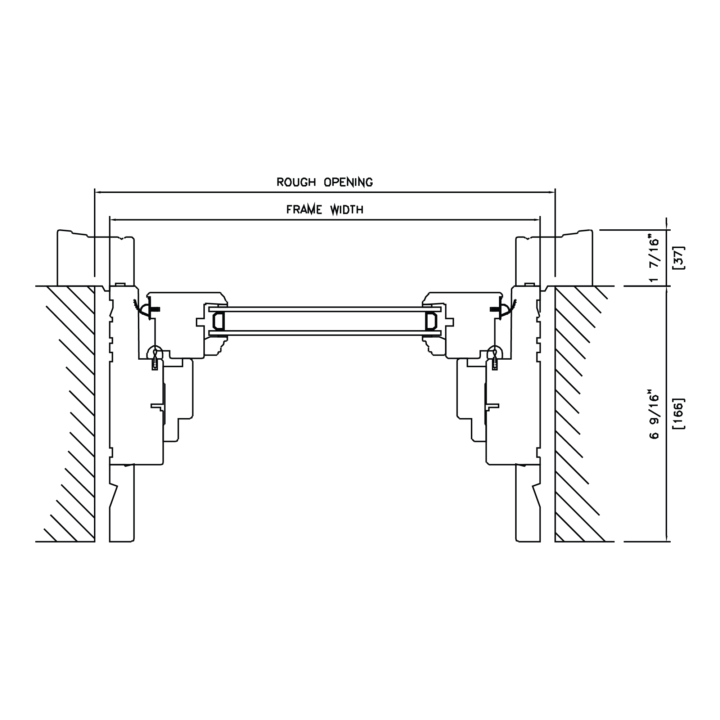
Other jamb widths available. All dimensions to have +/- 1/16” (2mm) tolerance.
| Unit Sizes | ||||
|---|---|---|---|---|
| Model Number | Unit O.S.M. (Imperial) | Rough Opening (Imperial) | Unit O.S.M. (Metric) | Rough Opening (Metric) |
| RT 0603 | 23 5/8 X 11 13/16 | 24 3/8 X 12 9/16 | 600 X 300 | 619 X 319 |
| RT 0735 | 27 9/16 X 13 3/4 | 28 5/16 X 14 1/2 | 700 X 350 | 719 X 369 |
| RT 0804 | 31 1/2 X 15 3/4 | 32 1/4 X 16 1/2 | 800 X 400 | 819 X 419 |
| RT 0945 | 35 7/16 X 17 11/16 | 36 3/16 X 18 7/16 | 900 X 450 | 919 X 469 |
| RT 1005 | 39 3/8 X 19 11/16 | 40 1/8 X 20 7/16 | 1000 X 500 | 1019 X 519 |
| RT 1206 | 47 1/4 X 23 5/8 | 48 X 24 3/8 | 1200 X 600 | 1219 X 619 |
| RT 1407 | 55 1/8 X 27 9/16 | 55 7/8 X 28 5/16 | 1400 X 700 | 1419 X 719 |
| RT 1608 | 63 X 31 1/2 | 63 3/4 X 32 1/4 | 1600 X 800 | 1619 X 819 |
| RT 1809 | 70 7/8 X 35 7/16 | 71 5/8 X 36 3/16 | 1800 X 900 | 1819 X 919 |
| RT 2010 | 78 3/4 X 39 3/8 | 79 1/2 X 40 1/8 | 2000 X 1000 | 2019 X 1019 |
| RT 2412 | 94 1/2 X 47 1/4 | 95 1/4 X 48 | 2400 X 1200 | 2419 X 1219 |
| RT 2613 | 102 3/8 X 51 3/16 | 103 1/8 X 51 15/16 | 2600 X 1300 | 2619 X 1319 |
| RT 2814 | 110 1/4 X 55 1/8 | 111 X 55 7/8 | 2800 X 1400 | 2819 X 1419 |
| RT 3015 | 118 1/8 X 59 1/16 | 118 7/8 X 59 13/16 | 3000 X 1500 | 3019 X 1519 |
| Unit Sizes | ||||
|---|---|---|---|---|
| Model Number | Unit O.S.M. (imperial) | Rough Opening (imperial) | Unit O.S.M. (metric) | Rough Opening (metric) |
| ER 0810 | 31 1/2 x 39 3/8 | 32 1/4 x 40 1/8 | 800 x 1000 | 819 x 1019 |
| ER 0812 | 31 1/2 x 47 1/4 | 32 1/4 x 48 | 800 x 1200 | 819 x 1219 |
| ER 0814 | 31 1/2 x 55 1/8 | 32 1/4 x 55 7/8 | 800 x 1400 | 819 x 1419 |
| ER 1010 | 39 3/8 x 39 3/8 | 40 1/8 x 40 1/8 | 1000 x 1000 | 1019 x 1019 |
| ER 1012 | 39 3/8 x 47 1/4 | 40 1/8 x 48 | 1000 x 1200 | 1019 x 1219 |
| ER 1014 | 39 3/8 x 55 1/8 | 40 1/8 x 55 7/8 | 1000 x 1400 | 1019 x 1419 |
| ER 1016 | 39 3/8 x 63 | 40 1/8 x 63 3/4 | 1000 x 1600 | 1019 x 1619 |
| ER 1018 | 39 3/8 x 70 7/8 | 40 1/8 x 71 5/8 | 1000 x 1800 | 1019 x 1819 |
| ER 1212 | 47 1/4 x 47 1/4 | 48 x 48 | 1200 x 1200 | 1219 x 1219 |
| ER 1214 | 47 1/4 x 55 1/8 | 48 x 55 7/8 | 1200 x 1400 | 1219 x 1419 |
| ER 1216 | 47 1/4 x 63 | 48 x 63 3/4 | 1200 x 1600 | 1219 x 1619 |
| ER 1218 | 47 1/4 x 70 7/8 | 48 x 71 5/8 | 1200 x 1800 | 1219 x 1819 |
| ER 1414 | 55 1/8 x 55 1/8 | 55 7/8 x 55 7/8 | 1400 x 1400 | 1419 x 1419 |
| ER 1416 | 55 1/8 x 63 | 55 7/8 x 63 3/4 | 1400 x 1600 | 1419 x 1619 |
| ER 1418 | 55 1/8 x 70 7/8 | 55 7/8 x 71 5/8 | 1400 x 1800 | 1419 x 1819 |
| ER 1616 | 63 x 63 | 63 3/4 x 63 3/4 | 1600 x 1600 | 1619 x 1619 |
| ER 1618 | 63 x 70 7/8 | 63 3/4 x 71 5/8 | 1600 x 1800 | 1619 x 1819 |
| ER 1818 | 70 7/8 x 70 7/8 | 71 5/8 x 71 5/8 | 1800 x 1800 | 1819 x 1819 |
| ER 2418 | 94 1/2 x 70 7/8 | 95 1/4 x 71 5/8 | 2400 x 1800 | 2419 x 1819 |
| Unit Sizes | ||||
|---|---|---|---|---|
| Model Number | Unit O.S.M. (Imperial) | Rough Opening (Imperial) | Unit O.S.M. (Metric) | Rough Opening (Metric) |
| QR 505 | 19 11/16 x 19 11/16 | 20 7/16 x 20 7/16 | 500 x 500 | 519 x 519 |
| QR 606 | 23 5/8 x 23 5/8 | 24 3/8 x 24 3/8 | 600 x 600 | 619 x 619 |
| QR 909 | 35 7/16 x 35 7/16 | 36 3/16 x 36 3/16 | 900 x 900 | 919 x 919 |
| QR 1010 | 39 3/8 x 39 3/8 | 40 1/8 x 40 1/8 | 1000 x 1000 | 1019 x 1019 |
| QR 1212 | 47 1/4 x 47 1/4 | 48 x 48 | 1200 x 1200 | 1219 x 1219 |
| QR 1414 | 55 1/8 x 55 1/8 | 55 7/8 x 55 7/8 | 1400 x 1400 | 1419 x 1419 |
| Unit Sizes | ||||
|---|---|---|---|---|
| Model Number | Unit O.S.M. (Imperial) | Rough Opening (Imperial) | Unit O.S.M. (Metric) | Rough Opening (Metric) |
| EQ 0510 | 19 11/16 x 39 3/8 | 20 7/16 x 40 1/8 | 500 x 1000 | 519 x 1019 |
| EQ 0512 | 19 11/16 x 47 1/4 | 20 7/16 x 48 | 500 x 1200 | 519 x 1219 |
| EQ 0612 | 23 5/8 x 47 1/4 | 24 3/8 x 48 | 600 x 1200 | 619 x 1219 |
| EQ 0614 | 23 5/8 x 55 1/8 | 24 3/8 x 55 7/8 | 600 x 1400 | 619 x 1419 |
| EQ 0712 | 27 9/16 x 47 1/4 | 28 5/16 x 48 | 700 x 1200 | 719 x 1219 |
| EQ 0714 | 27 9/16 x 55 1/8 | 28 5/16 x 55 7/8 | 700 x 1400 | 719 x 1419 |
| EQ 0716 | 27 9/16 x 63 | 28 5/16 x 63 3/4 | 700 x 1600 | 719 x 1619 |
| EQ 0814 | 31 1/2 x 55 1/8 | 32 1/4 x 55 7/8 | 800 x 1400 | 819 x 1419 |
| EQ 0816 | 31 1/2 x 63 | 32 1/4 x 63 3/4 | 800 x 1600 | 819 x 1619 |
| EQ 0818 | 31 1/2 x 70 7/8 | 32 1/4 x 71 5/8 | 800 x 1800 | 819 x 1819 |
| EQ 0916 | 35 7/16 x 63 3/4 | 36 3/16 x 63 3/4 | 900 x 1600 | 919 x 1619 |
| EQ 0918 | 35 7/16 x 70 7/8 | 36 3/16 x 71 5/8 | 900 x 1800 | 919 x 1819 |
| EQ 1016 | 39 3/8 x 63 | 40 1/8 x 63 3/4 | 1000 x 1600 | 1019 x 1619 |
| EQ 1018 | 39 3/8 x 70 7/8 | 40 1/8 x 71 5/8 | 1000 x 1800 | 1019 x 1819 |
| EQ 1218 | 47 1/4 x 70 7/8 | 48 x 71 5/8 | 1200 x 1800 | 1219 x 1819 |
| EQ 1418 | 55 1/8 x 70 7/8 | 55 7/8 x 71 5/8 | 1400 x 1800 | 1419 x 1819 |
| Unit Sizes | ||||
|---|---|---|---|---|
| Model Number | Unit O.S.M. (Imperial) | Rough Opening (Imperial) | Unit O.S.M. (Metric) | Rough Opening (Metric) |
| EL 0800 | 31 1/2 X 9 13/16 | 32 1/4 X 10 9/16 | 800 X 250 | 819 X 269 |
| EL 0900 | 35 7/16 X 9 13/16 | 36 3/16 X 10 9/16 | 900 X 250 | 919 X 269 |
| EL 1000 | 39 3/8 X 9 13/16 | 40 1/8 X 10 9/16 | 1000 X 250 | 1019 X 269 |
| EL 1200 | 47 1/4 X 11 13/16 | 48 X 12 9/16 | 1200 X 300 | 1219 X 319 |
| EL 1400 | 55 1/8 X 11 13/16 | 55 7/8 X 12 9/16 | 1400 X 300 | 1419 X 319 |
| EL 1600 | 63 X 13 3/4 | 63 3/4 X 14 1/2 | 1600 X 350 | 1619 X 369 |
| EL 1800 | 70 7/8 X 13 3/4 | 71 5/8 X 14 1/2 | 1800 X 350 | 1819 X 369 |
| Unit Sizes | ||||
|---|---|---|---|---|
| Model Number | Unit O.S.M. (Imperial) | Rough Opening (Imperial) | Unit O.S.M. (Metric) | Rough Opening (Metric) |
| EE 0808 | 31 1/2 X 31 1/2 | 32 1/4 X 32 1/4 | 800 X 800 | 819 X 819 |
| EE 0810 | 31 1/2 X 39 3/8 | 32 1/4 X 40 1/8 | 800 X 1000 | 819 X 1019 |
| EE 0812 | 31 1/2 X 47 1/4 | 32 1/4 X 48 | 800 X 1200 | 819 X 1219 |
| EE 1010 | 39 3/8 X 39 3/8 | 40 1/8 X 40 1/8 | 1000 X 1000 | 1019 X 1019 |
| EE 1012 | 39 3/8 X 47 1/4 | 40 1/8 X 48 | 1000 X 1200 | 1019 X 1219 |
| EE 1014 | 39 3/8 X 55 1/8 | 40 1/8 X 55 7/8 | 1000 X 1400 | 1019 X 1419 |
| EE 1212 | 47 1/4 X 47 1/4 | 48 X 48 | 1200 X 1200 | 1219 X 1219 |
| EE 1214 | 47 1/4 X 55 1/8 | 48 X 55 7/8 | 1200 X 1400 | 1219 X 1419 |
| EE 1216 | 47 1/4 X 63 | 48 X 63 3/4 | 1200 X 1600 | 1219 X 1619 |
| EE 1414 | 55 1/8 X 55 1/8 | 55 7/8 X 55 7/8 | 1400 X 1400 | 1419 X 1419 |
| EE 1416 | 55 1/8 X 63 | 55 7/8 X 63 3/4 | 1400 X 1600 | 1419 X 1619 |
| EE 1418 | 55 1/8 X 70 7/8 | 55 7/8 X 71 5/8 | 1400 X 1800 | 1419 X 1819 |
| EE 1616 | 63 X 63 | 63 3/4 X 63 3/4 | 1600 X 1600 | 1619 X 1619 |
| EE 1818 | 70 7/8 X 70 7/8 | 71 5/8 X 71 5/8 | 1800 X 1800 | 1819 X 1819 |
| Unit Sizes | ||||
|---|---|---|---|---|
| Model Number | Unit O.S.M. (Imperial) | Rough Opening (Imperial) | Unit O.S.M. (Metric) | Rough Opening (Metric) |
| HC 0500 | 19 11/16 X 9 13/16 | 20 13/16 X 10 9/16 | 500 X 250 | 528 X 269 |
| HC 0600 | 23 5/8 X 11 13/16 | 24 3/4 X 12 9/16 | 600 X 300 | 628 X 319 |
| HC 0700 | 27 9/16 X 11 13/16 | 28 13/16 X 12 9/16 | 700 X 300 | 731 X 319 |
| HC 0800 | 31 1/2 X 13 3/4 | 32 11/16 X 14 1/2 | 800 X 350 | 831 X 369 |
| HC 0900 | 35 7/16 X 13 3/4 | 36 3/4 X 14 1/2 | 900 X 350 | 934 X 369 |
| HC 1000 | 39 3/8 X 15 3/4 | 40 11/16 X 16 1/2 | 1000 X 400 | 1033 X 419 |
| HC 1200 | 47 1/4 X 15 3/4 | 48 3/4 X 16 1/2 | 1200 X 400 | 1238 X 419 |
| HC 1400 | 55 1/8 X 17 11/16 | 56 5/8 X 18 7/16 | 1400 X 450 | 1439 X 469 |
| Unit Sizes | ||||
|---|---|---|---|---|
| Model Number | Unit O.S.M. (Imperial) | Rough Opening (Imperial) | Unit O.S.M. (Metric) | Rough Opening (Metric) |
| EH 0512 | 19 11/16 X 39 3/8 | 20 7/16 X 40 1/8 | 500 X 1000 | 519 X 1019 |
| EH 0510 | 19 11/16 X 47 1/4 | 20 7/16 X 48 | 500 X 1200 | 519 X 1219 |
| EH 0612 | 23 5/8 X 47 1/4 | 24 3/8 X 48 | 600 X 1200 | 619 X 1219 |
| EH 0614 | 23 5/8 X 55 1/8 | 24 3/8 X 55 7/8 | 600 X 1400 | 619 X 1419 |
| EH 0712 | 27 9/16 X 47 1/4 | 28 5/16 X 48 | 700 X 1200 | 719 X 1219 |
| EH 0714 | 27 9/16 X 55 1/8 | 28 5/16 X 55 7/8 | 700 X 1400 | 719 X 1419 |
| EH 0716 | 27 9/16 X 63 | 28 5/16 X 63 3/4 | 700 X 1600 | 719 X 1619 |
| EH 0814 | 31 1/2 X 55 1/8 | 32 1/4 X 55 7/8 | 800 X 1400 | 819 X 1419 |
| EH 0816 | 31 1/2 X 63 | 32 1/4 X 63 3/4 | 800 X 1600 | 819 X 1619 |
| EH 0818 | 31 1/2 X 70 7/8 | 32 1/4 X 71 5/8 | 800 X 1800 | 819 X 1819 |
| EH 0916 | 35 7/16 X 63 | 36 3/16 X 63 3/4 | 900 X 1600 | 919 X 1619 |
| EH 0918 | 35 7/16 X 70 7/8 | 36 3/16 X 71 5/8 | 900 X 1800 | 919 X 1819 |
| EH 1016 | 39 3/8 X 63 | 40 1/8 X 63 3/4 | 1000 X 1600 | 1019 X 1619 |
| EH 1018 | 39 3/8 X 70 7/8 | 40 1/8 X 71 5/8 | 1000 X 1800 | 1019 X 1819 |
| EH 1218 | 47 1/4 X 70 7/8 | 48 X 71 5/8 | 1200 X 1800 | 1219 X 1819 |
| EH 1418 | 55 1/8 X 70 7/8 | 55 7/8 X 71 5/8 | 1400 X 1800 | 1419 X 1819 |
| Unit Sizes | ||||
|---|---|---|---|---|
| Model Number | Unit O.S.M. (Imperial) | Rough Opening (Imperial) | Unit O.S.M. (Metric) | Rough Opening (Metric) |
| FC 0800 | 31 1/2 X 9 13/16 | 32 11/16 X 10 9/16 | 800 X 250 | 830 X 269 |
| FC 0900 | 31 1/2 X 9 13/16 | 36 3/4 X 10 9/16 | 900 X 250 | 934 X 269 |
| FC 1000 | 39 3/8 X 9 13/16 | 40 13/16 X 10 9/16 | 1000 X 250 | 1037 X 269 |
| FC 1200 | 47 1/4 X 11 13/16 | 48 11/16 X 12 9/16 | 1200 X 300 | 1237 X 319 |
| FC 1400 | 55 1/8 X 11 13/16 | 56 13/16 X 12 9/16 | 1400 X 300 | 1444 X 319 |
| FC 1600 | 63 X 13 3/4 | 64 11/16 X 14 1/2 | 1600 X 350 | 1643 X 369 |
| FC 1800 | 70 7/8 X 13 3/4 | 72 3/4 X 14 1/2 | 1800 X 350 | 1848 X 369 |
| Unit Sizes | ||||
|---|---|---|---|---|
| Model Number | Unit O.S.M. (Imperial) | Rough Opening (Imperial) | Unit O.S.M. (Metric) | Rough Opening (Metric) |
| EF 0808 | 31 1/2 X 31 1/2 | 32 1/4 X 32 1/4 | 800 X 800 | 819 X 819 |
| EF 0810 | 31 1/2 X 39 3/8 | 32 1/4 X 40 1/8 | 800 X 1000 | 819 X 1019 |
| EF 0812 | 31 1/2 X 47 1/4 | 32 1/4 X 48 | 800 X 1200 | 819 X 1219 |
| EF 1010 | 39 3/8 X 39 3/8 | 40 1/8 X 40 1/8 | 1000 X 1000 | 1019 X 1019 |
| EF 1012 | 39 3/8 X 47 1/4 | 40 1/8 X 48 | 1000 X 1200 | 1019 X 1219 |
| EF 1014 | 39 3/8 X 55 1/8 | 40 1/8 X 55 7/8 | 1000 X 1400 | 1019 X 1419 |
| EF 1212 | 47 1/4 X 47 1/4 | 48 X 48 | 1200 X 1200 | 1219 X 1219 |
| EF 1214 | 47 1/4 X 55 1/8 | 48 X 55 7/8 | 1200 X 1400 | 1219 X 1419 |
| EF 1216 | 47 1/4 X 63 | 48 X 63 3/4 | 1200 X 1600 | 1219 X 1619 |
| EF 1414 | 55 1/8 X 55 1/8 | 55 7/8 X 55 7/8 | 1400 X 1400 | 1419 X 1419 |
| EF 1416 | 55 1/8 X 63 | 55 7/8 X 63 3/4 | 1400 X 1600 | 1419 X 1619 |
| EF 1418 | 55 1/8 X 70 7/8 | 55 7/8 X 71 5/8 | 1400 X 1800 | 1419 X 1819 |
| EF 1616 | 63 X 63 | 63 3/4 X 63 3/4 | 1600 X 1600 | 1619 X 1619 |
| EF 1618 | 70 7/8 X 70 7/8 | 71 5/8 X 71 5/8 | 1600 X 1800 | 1619 X 1819 |
| EF 1818 | 70 7/8 X 70 7/8 | 71 5/8 X 71 5/8 | 1800 X 1800 | 1819 X 1819 |
| Unit Sizes | ||||
|---|---|---|---|---|
| Model Number | Unit O.S.M. (Imperial) | Rough Opening (Imperial) | Unit O.S.M. (Metric) | Rough Opening (Metric) |
| FR 0606 | 23 5/8 X 23 5/8 | 24 3/8 X 24 3/8 | 600 X 600 | 619 X 619 |
| FR 0808 | 31 1/2 X 31 1/2 | 32 1/4 X 32 1/4 | 800 X 800 | 819 X 819 |
| FR 0909 | 35 7/16 X 35 7/16 | 36 3/16 X 36 3/16 | 900 X 900 | 919 X 919 |
| FR 1010 | 39 3/8 X 39 3/8 | 40 1/8 X 40 1/8 | 1000 X 1000 | 1019 X 1019 |
| FR 1212 | 47 1/4 X 47 1/4 | 48 X 48 | 1200 X 1200 | 1219 X 1219 |
| FR 1414 | 55 1/8 X 55 1/8 | 55 7/8 X 55 7/8 | 1400 X 1400 | 1419 X 1419 |
| FR 1616 | 63 X 63 | 63 3/4 X 63 3/4 | 1600 X 1600 | 1619 X 1619 |
| FR 1818 | 70 7/8 X 70 7/8 | 71 5/8 X 71 5/8 | 1800 X 1800 | 1819 X 1819 |
| Unit Sizes | ||||
|---|---|---|---|---|
| Model Number | Unit O.S.M. (Imperial) | Rough Opening (Imperial) | Unit O.S.M. (Metric) | Rough Opening (Metric) |
| OW 0606 | 23 5/8 X 23 5/8 | 24 3/8 X 24 3/8 | 600 X 600 | 619 X 619 |
| OW 0808 | 31 1/2 X 31 1/2 | 32 1/4 X 32 1/4 | 800 X 800 | 819 X 819 |
| OW 1010 | 39 3/8 X 39 3/8 | 40 1/8 X 40 1/8 | 1000 X 1000 | 1019 X 1019 |
| Unit Sizes | ||||
|---|---|---|---|---|
| Model Number | Unit O.S.M. (Imperial) | Rough Opening (Imperial) | Unit O.S.M. (Metric) | Rough Opening (Metric) |
| OV 7512 | 29 1/2 X 47 1/4 | 30 1/4 X 48 | 750 X 1200 | 769 X 1219 |
| OV 0914 | 35 7/16 X 55 1/8 | 36 3/16 X 55 7/8 | 900 X 1400 | 919 X 1419 |
| OV 1275 | 47 1/4 X 29 1/2 | 48 X 30 1/4 | 1200 X 750 | 1219 X 769 |
| OV 1409 | 55 1/8 X 35 7/16 | 55 7/8 X 36 3/16 | 1400 X 900 | 1419 X 919 |




















