Looking for Loewen standard sizes? Our Product Configurator allows you to browse our standard sizes and make configurations.
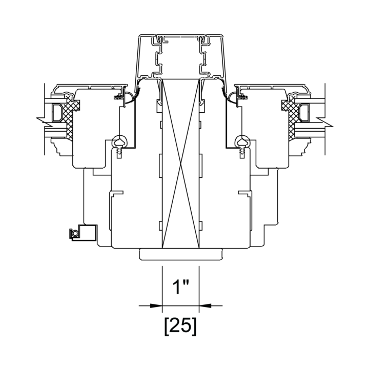
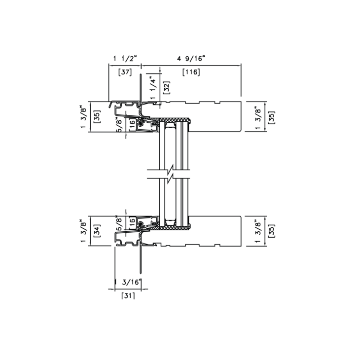
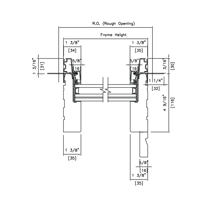
CAD Drawings
View Resources3D Models
View ResourcesNFRC Ratings
View ResourcesAir, Water, Structural Performance
View Resources






























































